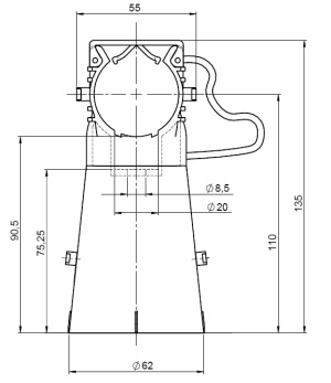
HDC-114-110-01
Heavy duty clamp for RADIAFLEX® 1-1/4"
Rev : B | Rev date : 15 Nov 2025
Train and metro tunnels are usually narrowly shaped leaving only little space between the cross section of the tunnel and the volume filled by the train. Depending on the speed of the train, those turbulences create forces onto the cable, which the installation material has to withstand. For speeds above 140 km/h (86 mph) up to 350 km/h (218 mph) or even more it is recommended to use the heavy duty clamp HDC which is available for the cable sizes of 1-1/4"" and 1-5/8"" of all RADIAFLEX® cable with copper foil as outer conductor. The heavy duty clamp already includes the fastening mechanic for the radiating cable. Optionally, the clamp is equipped with four ports to carry additional clic clamps. Clic-clamps could be mounted for installation of fiber optic backbone cables. Suitable types are CC-12-1 and CC-78-1. They can directly be mounted without any tools and further accessories.
Feature / Benefits
For train speeds of up to 350 km/h (218 mph), polyamide black, fire class UL 94HB, halogen free
Technical features
General Specifications
|
||
|
||
|
||
|
Testing and Environmental
|
Mechanical Specifications
|
||
|
Packaging Information
|
|
|
|
|
|
External Document Links |
|
Notes |
PDF Datasheet
Related Products
RSB-114
- Hanger Type
- RSB-Clip
- Cable Type
- Coaxial Foam Dielectric
- Radiating Cable
- Cable Size
- 1-1/4
CLAMP-RA114-P02
- Cable Type
- Coaxial Foam Dielectric
- Cable Size
- 1-1/4
CC-114-2
- Hanger Type
- Clic clamp
- Cable Type
- Radiating Cable
- Cable Size
- 1-1/4
TAS-120L
- Cable Size
- 1/2", 7/8", 1 1/4", 1 5/8"
SFS-114-01
- Hanger Type
- SFS clamp
- Cable Type
- Radiating Cable
- Cable Size
- 1-1/4
CLAMP-RA114-P02
- Cable Type
- Coaxial Foam Dielectric
- Cable Size
- 1-1/4
TAS-120L
- Cable Size
- 1/2", 7/8", 1 1/4", 1 5/8"
SFS-114-01
- Hanger Type
- SFS clamp
- Cable Type
- Radiating Cable
- Cable Size
- 1-1/4
CC-114-2
- Hanger Type
- Clic clamp
- Cable Type
- Radiating Cable
- Cable Size
- 1-1/4