Lifetime Connectivity

N-UC230-01
Gas Tube Surge Arrestor Type N male female, bulkhead

Rev : J | Rev date : 15 Nov 2025

Surge arrestors are designed to protect wireless base stations, switching centers and transmission line from the damaging effects of extreme high voltage surges caused by lightning strikes. Lightning strikes, even on grounded systems, can implant crushing voltages on RF transmission lines, creating voltage spikes on the center conductor of coaxial cable and putting the network out of commission. The new RFS lightning protection devices are designed and tested to the most demanding specifications. They are rated to protect against both direct and indirect multiple strikes in the harshest environments imaginable. Their rugged construction utilizes solid metal housings, beryllium-copper contacts and superior plating, which results in outstanding system protection and operating continuity.

Feature / Benefits

  • Broadband operation  DC to 2.7 GHz
  • DC continuity on center conductor for reliable operation
  • Replaceable 230 volts gas capsules for easy maintenance
n-uc230 spinner.jpg
Structure
Product Line Coaxial Cable Components
Product Type Surge Arrestor
Surge Arrestor Type Gas Capsule
Coaxial Cable Type Foam Dielectric, Ultraflexible Foam Dielectric, Radiating Cable
Mechanical Specifications
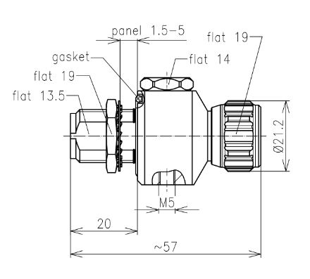
Configuration Bulkhead
Connector A N Male
Center Contact Connector A copper alloy / silver plated
Outer Contact Connector A copper alloy / silver plated
Connector B N Female
Center Contact Connector B copper alloy / silver plated
Outer Contact Connector B copper alloy / silver plated
Body copper alloy / nickel plated
Dielectric PTFE
Gasket

Silicone rubber

Sealing class IP67 per EN 60529 (interface connected with appropriate gasket)
Mounting / Grounding Bulkhead; Thread for grounding M5
Electrical Specifications
Frequency Range - MHz DC - 2700
VSWR 0-400 MHz: 1.05
400-2000 MHz: 1.10
2000-2400 MHz: 1.15
2400-2700 MHz: 1.20
Insertion Loss

0.05 dB @ 0 - 400 MHz
0.10 dB @ 400 - 1000 MHz
0.20 dB @ 1000 - 2000 MHz
0.30 dB @ 2000 - 2400 MHz
0.40 dB @ 2400 - 2700 MHz

Surge current handling capability

25 kA single (test pulse 8/20 μs)

Residual pulse

350 μJ (test pulse 4 kV 1.2/50 μs and 2 kA 8/20 μs)

Average Power

150 W

Temperature Specifications
Operation Temperature

-45 to 85 (-49 to 185)

Packaging Information
Package Quantity 1

External Document Links

Notes

Related Products