Lifetime Connectivity

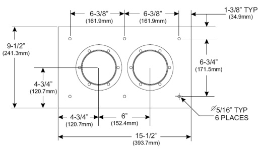
FTP4-1X2
Feed through entry panel, 102mm (4"), 2 holes, 1x2

Rev : E | Rev date : 15 Nov 2025

Aluminum feed through entry panels enable transmission line runs to enter buildings and shelters. These rugged panels guide the transmission line at the entry point and prevent moisture from entering the building. Each panel features 102mm (4"") openings to accept boot assemblies. Feed through panels are offered with a broad selection of hole patterns and plate sizes to match your exact application. These entries can be used in both interior and exterior wall applications to create a neat and clean installation. Each panel includes a set of wall attachment hardware, including stainless steel screws, finishing washers and plastic anchors and is powder coated to ensure long term integrity and provide appealing aesthetics. Protection caps for all unused openings are also included. These caps are only dust protection offered. For water proofing suitable additional measures, e.g. tape wrap. Boot assemblies are purchased separately to accommodate specific transmission line requirements.
feed_thru_entry_panel.png
Structure
Product Type Wall/Roof Feed-Through System
Coaxial Cable Type Air Dielectric Foam Dielectric
Mechanical Specifications
Feed-Through Holes 2
Material Aluminium
Packaging Information
Package Quantity 1

External Document Links

Notes

Related Products