Lifetime Connectivity

318EIA-HCA495-001
3-1/8" EIA Connector for 5" Coaxial Cable, Gas stop, Sealing compound

Rev : B | Rev date : 15 Nov 2025

Radio Frequency Systems line of high performance HELIFLEX® coaxial cable connectors are characterized by excellent gas tightness and extremely low losses. HELIFLEX®Lite connectors can be installed with basic hand tools, but the use of dedicated installation tools further facilitates ease of assembly and improves performance.
RFS connectors are fully tested for mechanical and electrical compliance specifications.
HELIFLEX®Lite premium connectors have excellent electrical values and provide outstanding performance for the most demanding applications. The RFS connector design provides maximum sealing integrity and gas tightness.

Feature / Benefits

  • Lightweight
  • Excellent gas tightness, Overpressure for increased voltage handling is maintained throughout the system.
  • Robust Mechanical Design, Superior and consistent performance guarantees outstanding system characteristics.
  • Extremely low reflection factor, Outstanding low reflection factor improves overall system performance and margin and reduces mismatch losses
  • Totally Waterproof according to IP 66 / 68, Assures safe, long term operation in the harshest of environments. System tightness doesn't have to rely on overpressure from dehydration equipment.
  • Easy to install, no special tools needed. Only basic hand tools required. No additional cost to the installer.
  • RoHs (EU) and CRoHs (China) compliant, can be used on a global basis.
318eia-hca495.jpg
General Specifications
Cable Size 5"
Cable Type Air Dielectric
Model Series HCA495-50 Series
Connector Interface 3-1/8" EIA
Connector Type

Gas stop

Sealing Method

Sealing compound ¹ )

Testing and Environmental
Waterproof Level IP66
Mechanical Specifications
Plating Outer/Inner Silver/Silver
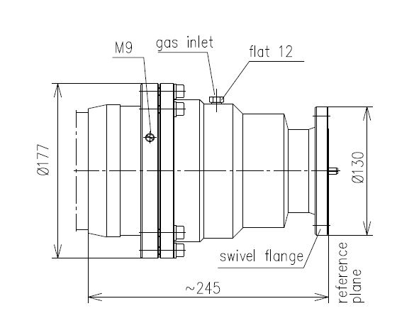
Length 245mm (9.646in)
Outer Diameter 177mm (6.968in)
Inner Contact Attachment Threaded
Outer Contact Attachment Tab Flare
Electrical Specifications
Maximum Frequency DC - 860 MHz GHz
Frequency Range VSWR value Return Loss value
DC - 860 MHz 1.02 40

External Document Links

Notes

To join two cables with EIA connectors, two identical socket connectors are installed on either end of the cables to be joined, and a coupling element is used to make the connection of the center conductor.
The coupling element must be ordered separately.
¹) The sealing compound must be ordered separately.

Related Products


HCA495-50J

Applications
TV & Radio
HF Defense
Cable Solutions
Jacket Option
Black
Fire Performance
Halogene Free
Request quote

HCA495-50JFN

Applications
TV & Radio
HF Defense
Cable Solutions
Jacket Option
Black
Fire Performance
Flame Retardant, LS0H
Request quote